Комплект эксплуатационной и технической документации
Схема и печатная плата
На этапе НИОКР была разработана принципиальная схема и изготовлен прототип прибора. На Рис. 1 представлена его блок-схема.
Рис. 1. Блок-схема прототипа прибора
Измерительная часть представляет собой емкостный делитель С1С0, на вход которого подается синусоидальный сигнал с выхода цифрового синтезатора AD9851. Детектор усиления и фазы AD8302 сравнивает два входных синусоидальных сигнала, поступающих на входы INPA и INPB. На выходе детектора формируются аналоговые уровни, соответствующие отношению амплитуд и разности фаз синусоидальных сигналов. Эти аналоговые уровни поступают на входы 24-х разрядных сигма-дельта АЦП микроконтроллера STM32F373, который осуществляет вычисление действительной части диэлектрической проницаемости и удельной проводимости флюида, заполняющего измерительную ячейку C0. Микроконтроллер также управляет работой цифрового синтезатора AD9851 (задает частоту от 0 до 60 МГц с шагом 1 кГц) и взаимодействует с головным устройством посредством интерфейса RS485 по протоколу MODBUS-RTU.
Таким образом, несмотря на требование технического задания осуществлять измерения на фиксированной частоте, в прибор заложена возможность работать в диапазоне частот 1 кГц – 60 МГц.
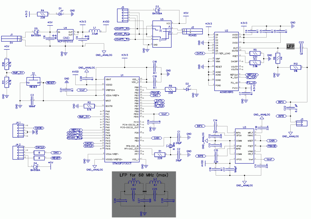
На Рис. 2 представлена полная принципиальная электрическая схема прототипа прибора. Все подключения и номиналы компонентов обвязки микросхем взяты без изменений или вычислены по рекомендациям производителей, приведенным в соответствующих технических документах.
Рис. 2. Принципиальная электрическая схема прототипа прибора.
Питание напряжением +5 В может подаваться с трех разъемов J1, J4.2 и J5. Поэтому для развязки использованы диоды Шоттки D3-D5.
С22 – конденсатор постоянной емкости с нулевым температурным коэффициентом емкости. Измерительная ячейка подключается к разъему J3.
Сигма-дельта АЦП микроконтроллера STM32F373 имеет отдельный вход для опорного напряжения. Опорное напряжение на этот вход подается с выхода Vref микросхемы U3 детектора AD8302. Относительно этого напряжения формируются аналоговые уровни на выходах детектора.
К разъему J4 подключается программатор ST-Link. Через него осуществляется загрузка прошивки в микроконтроллер, а также доступ к внутренним регистрам и ячейкам памяти микроконтроллера на этапе отладки программного обеспечения.
Печатная плата прототипа прибора разработана в САПР DipTrace, а изготовлена по технологии ЛУТ (Рис. 3).
Рис. 3. 3d модель и фотография печатной платы прибора




