Комплект эксплуатационной и технической документации

Микроконтроллерный модуль для получения нагрузочных характеристик солнечных элементов

В состав экспериментальной установки для определения характеристик солнечных элементов входит микроконтроллерный модуль (МКМ). МКМ предназначен для получения экспериментальных нагрузочных вольтамперных характеристик (ВАХ) солнечных элементов в автоматическом режиме.

В состав МКМ входят:

1.       Микроконтроллерная отладочная плата STM32VL-Discovery.
2.       Три буферных усилителя для входных аналоговых сигналов.
3.       Управляемая нагрузка на базе источника тока управляемого напряжением (ИТУН).
4.       Графический ЖК индикатор.
5.       Слот для SD карты.
6.       Низковольтный последовательный порт, работающий по протоколу RS232.

На вход МКМ поступают сигналы от:

1.       Нормирующего усилителя фотодатчика интенсивности светового потока.
2.       Предварительного усилителя фото-ЭДС солнечного элемента.
3.       Преобразователя ток-напряжение тока солнечного элемента.
4.       Переключателя диапазонов преобразователя ток-напряжение.
5.       Кнопки Старт.

При подаче питания на МКМ на экране ЖК индикатора отображаются текущие значения трёх входных аналоговых сигналов – фотодатчика в %, фото-ЭДС в вольтах, тока солнечного элемента в миллиамперах.

Для получения ВАХ солнечного элемента необходимо установить переключатель режимов работы измерительного стенда в положение «ВАХ автомат», установить переключатель диапазонов преобразователя ток-напряжение в положение, при котором на цифровом индикаторе экспериментальной установки отображается максимальное количество значащих разрядов, и нажать кнопку Старт.

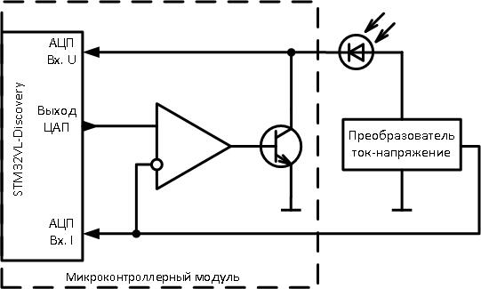
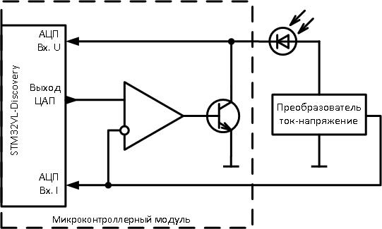
Схема получения ВАХ.jpg

Рис. 1 Упрощённая схема получения ВАХ солнечного элемента.

На Рис. 1 представлена упрощённая схема получения ВАХ солнечного элемента в автоматическом режиме с помощью МКМ. Управляющая программа МКМ последовательно устанавливает на выходе ЦАП напряжение от 0 до значения, соответствующего току короткого замыкания солнечного элемента. После каждого шага выдерживается пауза длительностью 300 мс и производится опрос входных каналов АЦП. Полученные значения напряжения и тока пересчитываются в соответствующие физические величины, выводятся на экран ЖК индикатора в виде графика, в виде текстовой таблицы передаются в последовательный порт МКМ и записываются в файл на SD карту.

МКМ может функционировать без подключения к компьютеру и без SD карты.

Подключение к компьютеру осуществляется с помощью преобразователя USB-RS232. Параметры последовательного порта: 9600/8N1. Для взаимодействия с МКМ на компьютере можно использовать любой программный эмулятор терминала VT100. С помощью команд посылаемых в МКМ можно просматривать, устанавливать и сохранять значения коэффициентов пересчёта входных аналоговых сигналов, задать имя файла на SD карте, запустить процесс получения ВАХ солнечного элемента.

При включении МКМ на экран терминала выводится символ приглашения “>”. По команде HELP выводится список допустимых команд:

DISPLAY       - отображение значений напряжения и тока. Выход – нажатие любой клавиши.
START         - запуск процесса получения ВАХ.
FILE xxxxxxxx - задать имя файла.
MUL_FD ddd    - задать множитель для фотодатчика интенсивности светового потока.
MUL_U ddd     - задать множитель для фото-ЭДС.
MUL_I ddd     - задать множитель для тока.
MUL_FD?       - посмотреть множитель для фотодатчика интенсивности светового потока.
MUL_U?        - посмотреть множитель для фото-ЭДС.
MUL_I?        - посмотреть множитель для тока.
SAVE          - сохранить значения всех множителей.

Если в слоте присутствует исправная и отформатированная в формате FAT16 SD карта при включении МКМ в служебной строке на ЖК индикаторе отображается сообщение F_MOUNT OK. Если по какой-то причине файловую систему смонтировать не удалось, в служебной строке на ЖК индикаторе отобразится сообщение F_MOUNT ERRx, где x – номер ошибки подсистемы FatFS. Аналогично при запуске процесса получения ВАХ в служебной строке ЖК индикатора появятся сообщение F_CREATE OK или F_CREATE ERRx, а после завершения процесса получения ВАХ – F_SAVE OK или F_SAVE ERRx.

По умолчанию на SD карте создаётся тестовый файл с именем XXXXXXXX.LOG, содержащий два столбца данных, разделённых символом табуляции, например:

 V             mA
 0.468     0.00636 
 0.468     0.00651 
 0.468     0.00666 
 0.468     0.00688 
…….

Приложение 1

Микроконтроллерный модуль (схема).png

Назначение выводов микроконтроллера.png

Назначение выводов микроконтроллера при подключении периферийного оборудования.

Расположение разъёмов.png

Расположение разъёмов на печатной плате ММ.